产品
400-820-9728
产品类别
软管
接头
液压设备
流体控制阀件
硬管

中文

产品
接头
400-820-9728

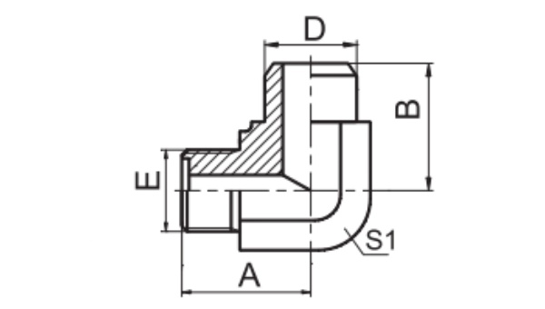
KF1EW9

90°公制外螺纹O形圈平面密封/焊接管

注:E端O形圈参数为外径与线径。

筛选依据:
订货号 螺纹 E 螺纹 F A B C D L S1 S2 O型圈E端 O型圈F端 管子直径


● 材质:碳钢/不锈钢

● 高强度材质,耐腐蚀、耐高压

● 适用于各种严苛工业环境

● 密封性能卓越,确保零泄漏,为您的设备提供持久稳定的连接。